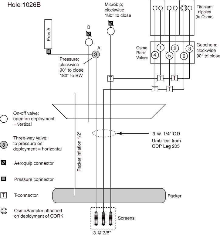
Figure F12. Plumbing schematic of CORK system deployed in Hole 1026B during Expedition 301. An OsmoSampler was attached during deployment to valve 6, as indicated, and subsequently recovered during ROV operations on 4 September 2004. This system contains redundant sampling opportunities of a single isolated zone through use of T-connectors. A pressure gauge can be attached to fitting B during future servicing visits to examine pressure conditions within the cased interval above the CORK packer. OD = outer diameter. BW = bottom water.

Previous | Close | Next | Top of page