Previous  |  Close  |  Next

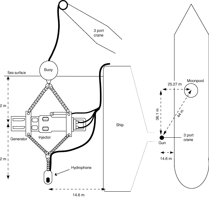
Figure F73. Geometric configuration of the GI seismic source deployment with respect to the JOIDES Resolution.

 

 

Previous  |  Close  |  Next  |  Top of page