Previous   |    Close   |    Next

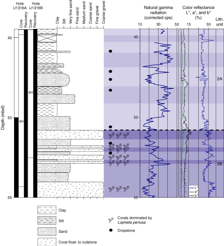
Figure F9. Lithologic column with natural gamma radiation and color reflectance of Unit 2 in Hole U1316A. Note that the six, possibly seven, fining-upward successions of Subunit 2A are correlated with the changes in natural gamma ray signal, as indicated by the shaded area. In Subunit 2B, coral layers are well reflected in the color reflectance data.

Previous   |    Close   |    Next   |    Top of page