Previous   |   Close   |   Next

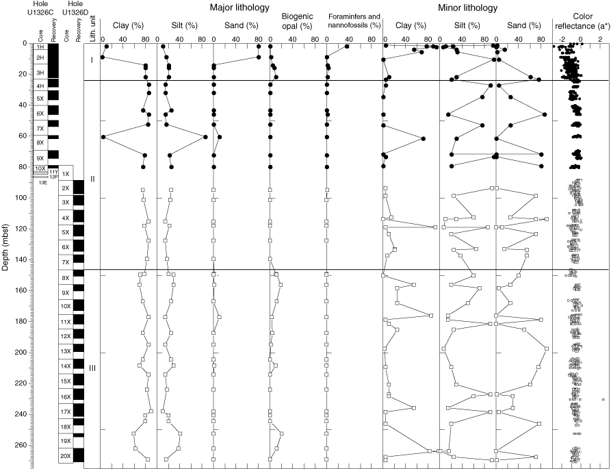
Figure F7. Lithostratigraphic summary for Holes U1326C (solid circles) and U1326D (open squares) showing the percentage of clay, silt, sand, biogenic opal (diatoms, radiolarians, siliceous spicules, silicoflagellates), foraminifers, and nannofossils in the major lithology; clay, silt, and sand in the minor lithology; and AMST color reflectance (a*).

Previous   |   Close   |   Next  |   Top of page