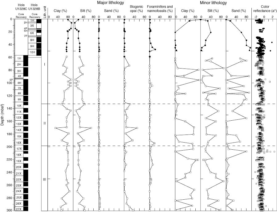
Figure F11. Lithostratigraphic summary for Holes U1328B (solid circles) and U1328C (solid squares) showing the percentage of clay, silt, sand, biogenic opal (diatoms, radiolarians, siliceous spicules, silicoflagellates), foraminifers, and nannofossils in the major lithology; clay, silt, and sand in the minor lithology; and AMST color reflectance (a*).

Previous | Close | Next | Top of page