Previous   |   Close   |   Next

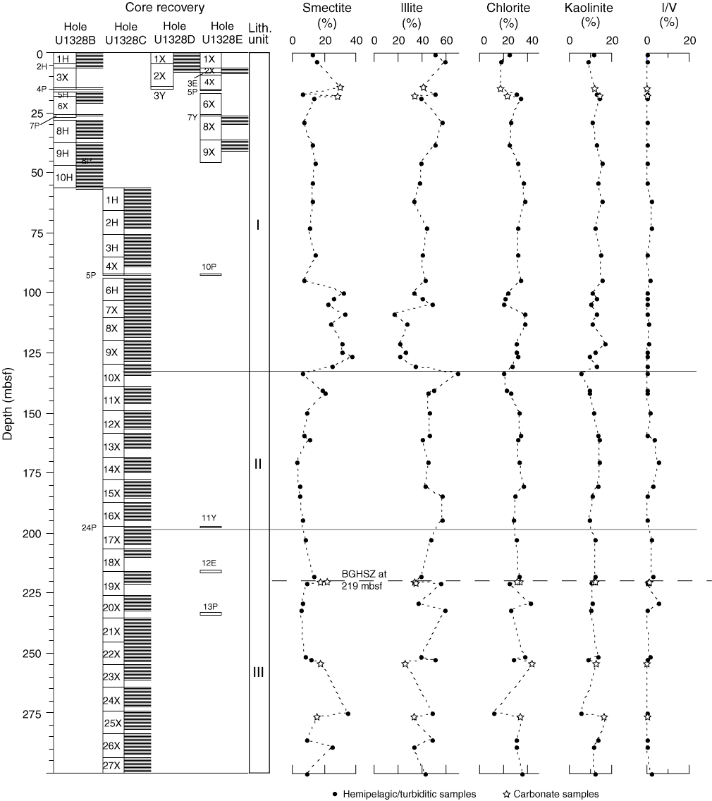
Figure F6. Downhole variations of clay minerals in sediment and authigenic carbonate samples, Site U1328. BGHSZ = bottom gas hydrate stability zone. I/V = illite/vermiculite.

Previous   |   Close   |   Next  |   Top of page