Previous   |   Close  

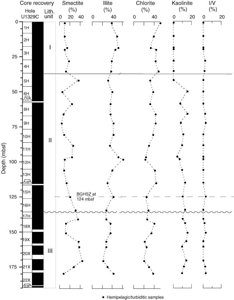
Figure F7. Downhole variations of clay minerals in sediment, Site U1329. BGHSZ = bottom gas hydrate stability zone. I/V = illite/vermiculite.

Previous   |   Close   |   Top of page